生物疫苗生產環節
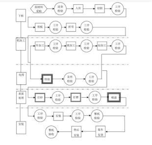
生物疫苗生產環節非常復雜多樣,其工藝流程圖如下所示

在流程圖上可以看出,從菌種的培育到最后產成品的入庫,需要很長的時間和很多到工序。
袋式過濾器在生物疫苗生產哪些環節進行過濾
袋式過濾器主要是對實驗用水過濾,澄清、除菌過濾, 精細化溶媒、藥業、生物制品、藥用溶劑等液體的精過濾等環節進行過濾,以及生物血清血槳制品、生物制品、蛋白溶液、發酵罐的進料、抗菌素等液體的除菌過濾。

袋式過濾器在生物疫苗生產中使用什么樣的濾袋
在生物疫苗生產中,袋式過濾器一般使用聚丙烯制成的PP濾袋,PP濾袋的過濾精度分為0.1μm、0.22μm、0.45u m、0.8 u m、1μm、2μm、3μm、10μm、20μm、30μm、50μm,最高過濾精度達0.1μm。PP濾袋采用硅橡膠材質制成密封圈墊片,防止空氣滲入影響過濾效果。PP濾袋是與各種型號的袋式過濾器均可配套使用,PP濾袋具有優異的化學性能穩定性和耐熱性,更換方便,穩定性能強,化學相容性廣、能耐受PH值1-14、流通量大、壓差低、使用壽命長。
生物疫苗生產涉及200多個獨立部件,包括各種關鍵及非關鍵環節,袋式過濾器過濾環節不是最主要的,但是作為一整個生產鏈,任何一個部件斷供,整個流程都會受到影響。
在制藥無塵車間進行相關過濾時,無塵車間要求生物型密閉閥與防護區相通的送風管道和排風管道應牢固、易消毒滅菌、耐腐蝕、抗老化,有的實驗室采用除菌過濾器進行除菌過濾,袋式過濾器+ro反滲透膜可以達到除菌過濾器的效果。
在生物疫苗生產過濾環節中,袋式過濾主要起到的是初級過濾效果,也是疫苗生產的一個輔助環節。隨著科技的不斷改進,當袋式過濾器過濾精度值提高后,將會在生物疫苗生產領域發揮更大的作用
本文由水天藍環保(http://www.fengxinwj.cn/)原創首發,轉載請以鏈接形式標明本文地址或注明文章出處!



客服1